液封式真空ポンプ 一体型 FC
用途
- 一般産業用(真空濾過機・加圧脱水機)
- 半導体産業用(純水の真空脱気・真空チャッキング)
- 真空化学産業用(濃縮・蒸留・乾燥・反応)
- 真空排気装置用(真空含浸・真空成形・呼び水)
- 真空搬送用(真空チャッキ・輸送・固定)
- 紙・パルプ産業用(抄紙機-脱水・脱気・乾燥)
- 農業集落排水真空式汚水収集用
- その他(地盤沈下加速用・真空充填・真空掃除機・真空鋳造)
特長
- 安全性
羽根車の各セルにおいて水がピストン運動することによりガスの吸引・圧縮を行うため、ミストや水蒸気を含んだガスの移送も全く支障はありません。ポンプ内部には金属接触がなく、液膜により完全にシールされているためモレがなく、爆発性のあるガスや腐食性の高いガスの吸引・圧縮に適します。 - 経済性
高効率設計により経済性を追求、大幅に消費動力を削減します。(2作動型に比べ30%の省エネが可能)液封構造によりガスのリークはありません。高価なガスの圧送、圧縮に効果的です。 - 低騒音
シャフト1回転で羽根車のセルの数だけの吸引・圧縮が連続的に行われるため、脈動・振動がありません。また消音セパレータとの組合せにより騒音は極めて低く押えられます。 - 耐久性
シンプル構造と堅牢構造に加え、ポンプ内にシール部以外の摺動部や機械的接触がないため、耐久性に優れています。側気口構造(ボンプ内のガス吸引口、吐出口が軸と垂直な位置にある構造)のため磨耗に強く、内気口型(ナッシュ式)のものに比べて長期間高性能を維持します。 - 清浄性
油回転式のようなオイルミス卜の発生がなく、清浄な環境を守ります。
標準仕様
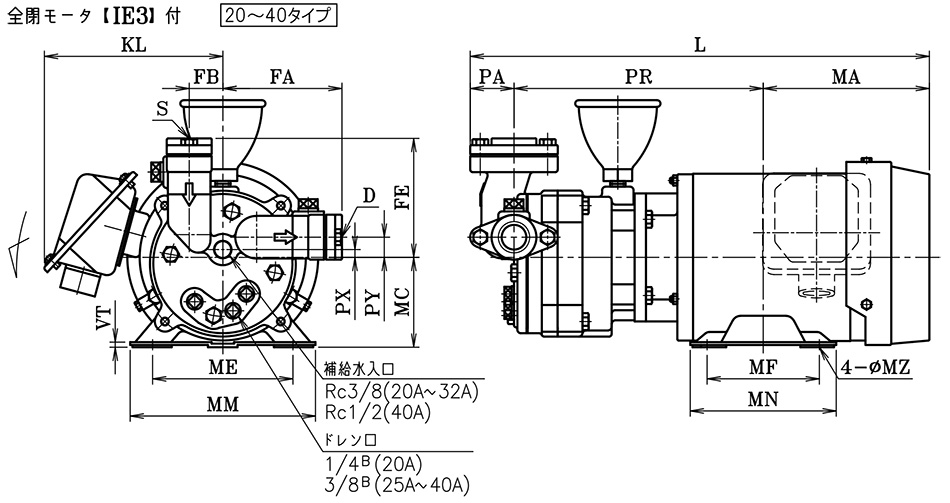
外形図


寸法表


よくあるご質問
液封式真空ポンプとはどのようなポンプですか?
ケーシング内に入れた液体を使い、三日月形の気体の空間を作り、膨張圧縮を繰り返すことで動作する真空ポンプです。特徴は金属接触がないので、安定して気体を移送できることです。また、もともと液体を入れているので、水蒸気を含んだ気体や可燃性ガス(溶剤系)の吸引なども可能です。
液封式真空ポンプの補給水量はどれくらいですか?
カタログの真空ポンプ性能表をご参照ください。なお、補給水量が過多の場合、モータの過負荷につながる場合があります。
代表型式:
20LVFD5-07ZE ・ 25LVFD5-15ZE ・ 32LVFD5-22ZE ・ 40LVFD5-37ZE ・ 20LVFD6-07ZE ・ 25LVFD6-15ZE ・ 32LVFD6-22ZE ・ 40LVFD6-37ZE ・ 20LVFD5-07A ・ 25LVFD5-15A ・ 32LVFD5-22A ・ 40LVFD5-37A ・ 20LVFD6-07A ・ 25LVFD6-15A ・ 32LVFD6-22A ・ 40LVFD6-37A ・ 50LVFD5-55ZE ・ 50LVFD6-55ZE ・ 50LVFD5-55A ・ 50LVFD6-55A
20LVFD5-07ZE ・ 25LVFD5-15ZE ・ 32LVFD5-22ZE ・ 40LVFD5-37ZE ・ 20LVFD6-07ZE ・ 25LVFD6-15ZE ・ 32LVFD6-22ZE ・ 40LVFD6-37ZE ・ 20LVFD5-07A ・ 25LVFD5-15A ・ 32LVFD5-22A ・ 40LVFD5-37A ・ 20LVFD6-07A ・ 25LVFD6-15A ・ 32LVFD6-22A ・ 40LVFD6-37A ・ 50LVFD5-55ZE ・ 50LVFD6-55ZE ・ 50LVFD5-55A ・ 50LVFD6-55A






