気液・固形物移送・容積式ポンプ ハイドラセル高圧ポンプ
超高圧 容積式
ハイドラセルポンプ
65HY

| タイプ: |
| 材 質: |
| 特 長: |
| 業 界: |
用途
- スラリー液の高圧移送に。
- クーラントに。
- パレット、コンテナのラベル除去に。
- 石灰水、汚水の高圧洗浄に。
- 洗車機に。
- 高圧サイクロンに。

特長
- 高圧・高効率を実現
モータの回転力は潤滑油に満たされた油圧室で効果的に圧カエネルギーに変換されます。低圧から高圧(~7MPa)まで、85%の高効率が得られ消費電力を低減します。
- スラリー液を高圧移送
油圧室(駆動部)とポンプ室はダイヤフラムにより完全に分離されているので、スラリーが駆動機構を傷めることがなく、長寿命かつ長期間高性能を維持します。
- 低騒音・低脈動
多連機構で高速回転が可能です。また油圧を介してダイヤフラムを駆動させることにより、脈動を抑えられるので低騒音運転が可能となります。
- 取り扱いが容易
故障の原因となるシール部がなく、呼び水なしに自吸が可能です。また、シャフトの回転方向に関係なく正常な送液が可能なため、取り扱いはとても簡単です。
- メンテナンスが容易
ダイヤフラムやバルブの交換はポンプを取り外さないので、短時間で処理できるようになります。
構造・原理
![]() |
作動油が満たされた油圧室と、移送液を加圧するポンプ室から構成され、その間はダイヤフラムで隔たれているため、シール部品はありません。
シャフトの回転により、偏芯したワブルプレートは順次ピストンを押しシリンダ内の油圧を高め、ダイヤフラムをポンプ室側へ張り出させます。
同時に他のシリンダ内ではピストンリターンスプリングにより反対方向へ押されダイヤフラムは油圧室側へ引き戻されます。
液体はマニホールド中心部から流入しバルブプレートでバルブ、バルブシートおよび各ダイヤフラムで形成される小室に分割されます。
また、小室容積はダイヤフラムの動きにより拡大と縮小を繰り返し、各室2組ずつ逆方向に取り付けられたバルブの交互開閉運動により液体は一定方向に流れ、再びマニホールドで統合され吐出されます。
| ①マニホールド | ⑤ワブルプレート | ⑨バルブ |
| ②バルブプレート | ⑥ピストン | ⑩バルブシート |
| ③シャフト | ⑦ピストンシリンダー | ⑪カム |
| ④ダイヤフラム | ⑧バルブリターンスプリング |
標準仕様
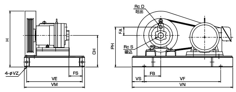
外形図

寸法表

代表型式:
65HYC ・ 65HYS
65HYC ・ 65HYS







スラリー移送にも威力を発揮します