渦流タービンポンプ(カスケードポンプ) 一体型 ステンレス
用途
- 一般産業用
- 一般洗浄用
- 純水移送用
- 食品・医薬・医療用
- 化学液移送用
特長
- 少流量/高揚程
- 圧力が変動しても流動変動が小さく安定
- エアロック、ウォーターハンマーに強い
- クリーン仕様:ステンレスの削り出しでパーティクルを軽減
予想曲線

標準仕様
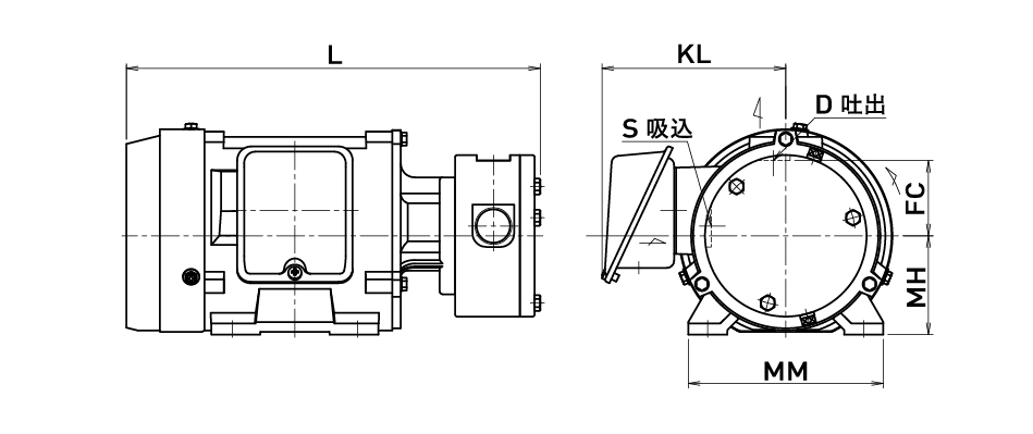
外形図

寸法表
外形図・寸法図は参考でJLDになっております。
(詳細は会員登録の上、資料ダウンロードにて図面をご確認ください。)
(詳細は会員登録の上、資料ダウンロードにて図面をご確認ください。)
動画
よくあるご質問
渦流タービンポンプとはどのようなポンプですか?
羽根車の外周に放射状の多数の溝を持っており、羽根車の押す力と遠心力によって渦を形成し圧力を高めることで液体を移送するポンプです。
特徴は「少流量・高揚程」「圧力変化による流動変動が少ない」「低粘度の液体も移送可能」なことです。
特徴は「少流量・高揚程」「圧力変化による流動変動が少ない」「低粘度の液体も移送可能」なことです。
渦流タービンポンプの予想曲線はどのように見たらいいですか?
X軸が流量、Y軸が全揚程となります。流量が少ないほど全揚程は高くなり、流量が多いほど全揚程は低くなります。また、モータ軸動力は少流量になるにつれて大きくなりますので使える範囲に限界があります。要求仕様をポインティングし、ご希望の仕様を満たすかご確認ください。
渦流タービンポンプの最少流量はどれくらいですか?
モータ軸動力・ポンプの耐圧・温度上昇の3つの条件により最少流量は決まります。各製品ごとの予想曲線をご参照頂き、詳しくは最寄りの弊社営業所へお問い合わせください。
詳細特長
代表型式:
15JHD02Z ・ 15JHD04A ・ 15JHD04S ・ 15JHD04Z ・ 20JHD07A ・ 20JHD07Z ・ 20JHD15A ・ 20JHD15Z ・ 25JHD22A ・ 25JHD22Z
15JHD02Z ・ 15JHD04A ・ 15JHD04S ・ 15JHD04Z ・ 20JHD07A ・ 20JHD07Z ・ 20JHD15A ・ 20JHD15Z ・ 25JHD22A ・ 25JHD22Z








圧力変化による流量変動が少ない渦流タービンポンプ。 【クリーンタイプ】